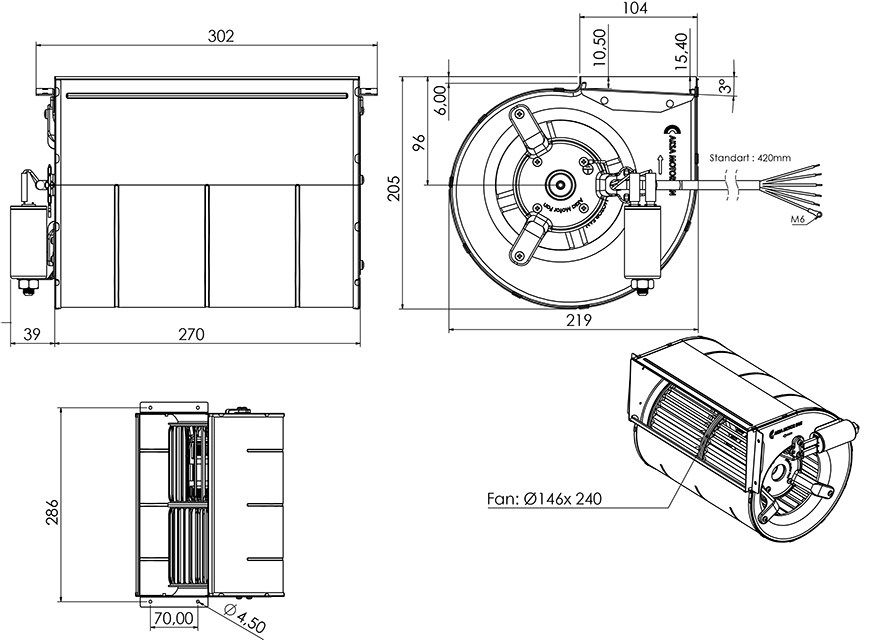
AKS 146-240

  • Gövdesi yüksek kalite galvaniz sacdan üretilen ürünümüz paslanmaya, yüksek sıcağa ve benzeri sert çalışma koşullarına dayanıklıdır.
  • İnce kanatlara sahip çift emişli alüminyum fan sayesinde yüksek basınçlı hava akışı, düşük ses seviyesi ve yüksek verimlilik elde edilmiştir.
  • Ürünümüz ISO 1940 standartlarına göre dinamik ve statik balans testlerinden başarıyla geçmiş olup minimum titreşimle sürekli olarak yüksek basınçlı hava transferi yapabilmektedir.
  • Gövde bileşenlerinin montajında punta yerine kenetli sistem kullanılmaktadır. Bu montaj sistemi davlumbazda esneme, açılma, parçalar arasında boşluk gibi riskleri ortadan kaldırmaktadır.
  • Motorun gövdeye montajlanmasını sağlayan bağlantı ayağının yekpare olması motorun gövdeye daha dengeli ve mukavemetli şekilde montaj imkanı sağlamaktadır.
  • Fanın gövdeye montajını sağlayan bağlantı kulakçıkları fan üzerinde standart olarak bulunmakta ve oldukça sağlam bir tutunma sağlayan pres-perçin sistemi ile gövdeye vida veya alüminyum perçin kullanmaksızın bağlanmaktadır. Ayrıca müşterilerimizi kulak montaj işçiliğinden kurtarmaktadır.
  • Ürünümüz Sınıf–I (Class-I) koruma sınıfına dahildir.
  • Kondansatörlü monofaze motoru sayesinde düşük enerji sarfiyatı ve optimum verimlilik elde edilmiştir.
  • Motor yatakları müşteri talebine göre rulmanlı yada sinter burç olarak üretilebilmektedir.
  • Motor F yalıtım sınıfına dahildir.
  • Ürünlerimiz EN 60335-2-80, Low Voltage Equipment [2014/35/EU] ve Electromagnetic Compatibility [2014/30/EU] normlarına uygun olarak üretilmektedir.
  • Hava akışının gerekli olduğu ısıtma veya soğutma amaçlı bütün endüstriyel uygulamalarda kullanıma uygundur.
  • Özellikle, fancoil ünitelerinde kullanılmak üzere tasarlanmıştır.

KULLANIM OPSİYONLARI

 Açma/Kapama butonuyla birlikte standart olarak kullanılabilir.
 Hız kontrol cihazlarıyla birlikte istenilen hız ve devirde kullanılabilir.
 Sıcak ortamlarda, motorun aşırı ısınmasına karşı ısı sensörlü (termikli) koruma.
Voltaj/Frekans(Volt/Hz)230/50
Akım(A)0,57
Güç     (Watt)120
Kondansatör                            (µF /VDB)1,5/400
Debi  (m³/saat)750
Devir  (Rpm)1055
Basınç  (Pa)139
Gürültü Seviyesi (@3m)  (dB (A))
Min. / Max. Ortam Sıcaklığı  (ºC)-25/60
MalzemeGövde Galvanize Çelik Sac
Fan Alüminyum
Koruma Sınıfı / IP I
Motor Yalıtım Sınıfı F
Onay TSE
Sertifikasyon CE 

BAĞLANTILI ÜRÜNLER

AKSA MOTOR FAN | AIRCOL © Tüm Hakları Saklıdır.