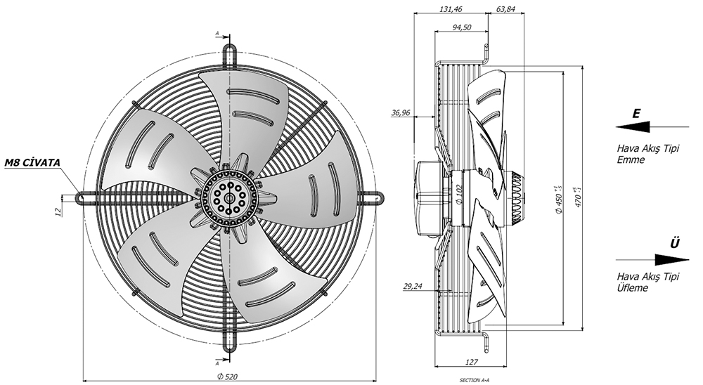
AKS 102-4ES-450

  • Ürünümüz emiş/üfleme hava yönü ve monofaze/trifaze motor seçenekleriyle üretilebilmektedir.
  • Izgarası ve pervanesi DKP sacdan üretilen ürünümüz, üzerine boya öncesi uygulanan kaplama sayesinde boyanın uzun ömürlü tutunması sağlanır. Sonrasında; güneş ışınları (UV), yağmur suyu, deniz suyu ve benzeri olumsuz hava şartlarına karşı dayanıklı yüksek kalite elektrostatik toz boya uygulaması yapılmaktadır.
  • Ürünümüz minimum titreşim seviyesine sahip olup ISO 1940 standartlarına göre yapılan dinamik ve statik balans testlerinden başarıyla geçmiştir.
  • Optimum pervane tasarımıyla yüksek verim ve düşük ses seviyesi elde edilmiştir.
  • Ürünlerimizde enerji hattındaki bütün koruyucu ve yalıtım malzemeleri alev almayan V0 plastik hammadeden üretilmektedir.
  • Ürünlerimiz motorun olağanüstü durumlarda aşırı ısınmasına karşı termal korumaya sahiptir.
  • Ürünlerimizde yüksek ısıya dayanıklı silikon kablo kullanılmaktadır.
  • Motor sargıları arasındaki yalıtımı sağlayan yüksek ısıya dayanıklı izolasyon malzemeleri kullanılmaktadır.
  • Patlamalara karşı en yüksek koruma sınıfı olan S3 sınıf kondansatör kullanılmaktadır.
  • Overmould enkeksiyon sistemi ile üretilen özel tasarım contalı su geçirmez bağlantı kutusu kullanılmaktadır.
  • Ürünlerimizde kullanılan IP67 kablo rakoru ile kablo bağlantıları suya ve toza karşı koruma altına alınmıştır.
  • Ürünümüz IP56 korumasına sahiptir.
  • Dıştan rotorlu motoru sayesinde düşük enerji sarfiyatı ve yüksek verimlilik elde edilmiştir.
  • Motorda yüksek ısı (-40°C ~+180°C) ve neme dayanıklı rulmanlar kullanılmaktadır.
  • Motor, IP56 koruma sınıfına ve F yalıtım sınıfına dahildir.
  • Ürünümüz Erp 2015 enerji verimliliği direktiflerini karşılamaktadır.
  • Ürünlerimiz EN 60335-2-80, Low Voltage Equipment [2014/35/EU] ve Electromagnetic Compatibility [2014/30/EU] normlarına uygun olarak üretilmektedir.
  • Isıtma veya soğutma amaçlı bütün endüstriyel uygulamalarda kullanıma uygundur.
  • Özellikle kondenser ve chiller üniteleri, soğuk odalar ve evaparator soğutma uygulamalarında kullanılmaktadırlar.



KULLANIM OPSİYONLARI

 Açma/Kapama butonuyla birlikte direkt olarak ya da lambaya seri bağlanarak kullanılabilir.
 Sıcak ortamlarda, motorun aşırı ısınmasına karşı ısı sensörlü (termikli) koruma.
Voltaj/Frekans(Volt/Hz)230/50
Akım(A)1,25
Giriş Gücü   (Watt)270
Kondansatör  (µF)10
Debi  (m³/saat)5000
Devir  (Rpm)1350
Gürültü Seviyesi (@3m)  (dB (A))67
Min. / Max. Ortam Sıcaklığı  (ºC)-30/60
Malzeme DKP Sac
IP   IP56
Motor Yalıtım Sınıfı F
Onay TSE
Enerji VerimliliğiErp2015
Sertifikasyon CE 

BAĞLANTILI ÜRÜNLER

AKSA MOTOR FAN | AIRCOL © Tüm Hakları Saklıdır.