AKS 686P

  • Gövdesi yüksek kalite alüminyumdan üretilen ürünümüz paslanmaya, yüksek sıcağa ve benzeri sert çalışma koşullarına dayanıklıdır.
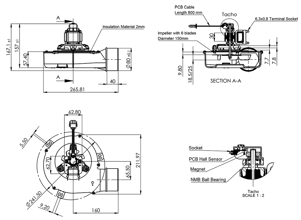
  • Aluzinc çelik sacdan üretilen pervane; hafifliği, basınçlı hava akışı ve düşük ses seviyesiyle optimum performans sağlamaktadır.
  • Ürünümüz ISO 1940 standartlarına göre dinamik ve statik balans testlerinden başarıyla geçmiş olup minimum titreşimle sürekli olarak yüksek basınçlı hava transferi yapabilmektedir.
  • Fanın hava debisi mini elektronik kartı sayesinde kolayca kontrol edilebilir.
  • Motorun gövdeye titreşim önleyici aparatlar ile montaj edilmesiyle hem motor aşırı ısıdan izole edilmiş hem de olası titreşimler minimum seviyeye indirilmiştir.
  • Ürünümüz Sınıf–I (Class-I) koruma sınıfına dahildir.
  • Gölge kutuplu monofaze motoru sayesinde düşük enerji sarfiyatı ve optimum verimlilik elde edilmiştir.
  • Rulmanlı motor yatakları bakım gerektirmeyen sessiz ve uzun ömürlü performans sağlamaktadır.
  • Motor H yalıtım sınıfına dahildir.
  • Ürünlerimiz EN 60335-2-80, Low Voltage Equipment [2014/35/EU] ve Electromagnetic Compatibility [2014/30/EU] normlarına uygun olarak üretilmektedir.
  • Hava akışının gerekli olduğu ısıtma veya soğutma amaçlı bütün endüstriyel uygulamalarda kullanıma uygundur.
  • Ürünümüz özellikle pelet ve odun sobalarında kullanılmak üzere tasarlanmıştır.

KULLANIM OPSİYONLARI

 Açma/Kapama butonuyla birlikte standart olarak kullanılabilir.
 Hız kontrol cihazlarıyla birlikte istenilen hız ve devirde kullanılabilir.
 Sıcak ortamlarda, motorun aşırı ısınmasına karşı ısı sensörlü (termikli) koruma.
Voltaj/Frekans (Volt/Hz)230/50
Akım (A)0,37
Güç     (Watt)47
Debi  (m³/saat)180
Devir  (Rpm)2570
Basınç  (Pa)60
Gürültü Seviyesi (@3m)  (dB (A))38
Min. / Max. Ortam Sıcaklığı  (ºC)-30/180
MalzemeGövde  Alüminyum
Fan Galvanize Çelik Sac
Koruma Sınıfı I
Motor Yalıtım Sınıfı H
Onay TSE
Sertifikasyon CE 

BAĞLANTILI ÜRÜNLER

AKSA MOTOR FAN | AIRCOL © Tüm Hakları Saklıdır.