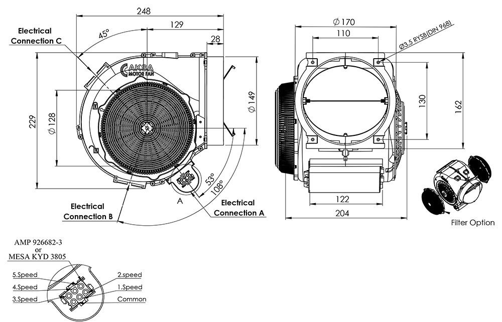
AKS 150 FS

  • Resistant to erosion, oil, high temperatures, moisture and acidic environment thanks to the body and impeller made of high-quality plastic reinforced with glass fiber.
  • Generating minimum level of vibration, the product successfully passed the tests performed in compliance with the ISO 1940 standard.
  • Higher pressure and less noise at the same amount of air flow thanks to the optimum body and impeller design.
  • When the fan is not in use, indoor area is protected from external effects such as dust, malodor and cold, and heat loss from inside to outside is prevented thanks to the air outlet flap.
  • The equipment can be horizontally or vertically installed.
  • Low energy consumption and high efficiency thanks to the internal rotor mono-phase motor.
  • Motor is protected against overheating thanks to thermal contactor.
  • Motor can be produced sintered bushing or ball bearing upon request customer.
  • Motor included in the F insulation class.
  • All products are manufactured in accordance with the EN 60335-2-80, Low Voltage Equipment [2014/35/EU] and Electromagnetic Compatibility [2014/30/EU] norms.
  • Suitable for use in any industrial heating or cooling application where air flow is needed.
  • Designed especially for use in kitchen hoods.



OPTIONS OF USE

 Standard use with the on-off button.
 Possibility to use at desired speed by use of speed control devices.
 Thermal protection with sensors against overheating in hot places.
Voltage/Frequency(Volt/Hz)230/50
Current(A)0,37 - 1,5
Power (Watt)150 - 300
Air Flow (m³/saat)500 - 1000
Speed (Rpm)1000 - 2000
Pressure(Pa)450 - 750
Min. / Max. Ambient Temperature (ºC)-25/60
Material
Protection Class / IP I / IPX4
Motor Insulation Class F
Approval TSE
Certification CE 

Similar Products

AKSA MOTOR FAN | AIRCOL © All Rights Reserved.