![]() | Standard use with the on-off button. |
![]() | Possibility to use at desired speed by use of speed control devices. |
![]() | Thermal protection with sensors against overheating in hot places. |
| Voltage/Frequency | (Volt/Hz) | 230/50 |
| Current | (A) | 0,50 |
| Input Power | (Watt) | 110 |
| Output Power | (Watt) | 63 |
| Capacitor | (µF /VDB) | 2,5 / 400 |
| Start-up Torque | (N.cm) | 16 |
| Nominal Torque | (N.cm) | 22 |
| Speed | (Rpm) | 2900 |
| Min. / Max. Ambient Temperature | (ºC) | -40/60 |
| Material | DC01/CR steel sheet | |
| Protection Class / IP | I / IP44 | |
| Motor Insulation Class | F | |
| Approval | TSE | |
| Certification | CE |

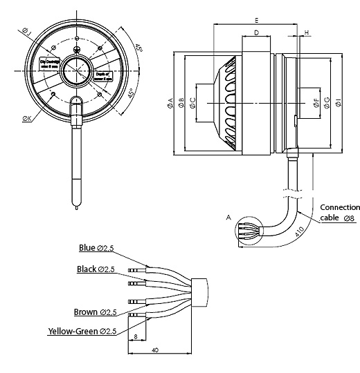
| MODEL | A | B | C | D | E | F | G | H | I | J | K |
|---|---|---|---|---|---|---|---|---|---|---|---|
| AKS 92M-35 | 92 | 84,5 | 44,5 | 35 | 89,5 | 27 | 80 | 2 | 90,3 | 58 | M5 |